Trang chủ / Tin tức

Tin tức

Các nhà sản xuất xích lá giới thiệu các lưu ý khi vệ sinh xích

Các nhà sản xuất xích lá giới thiệu các lưu ý khi vệ sinh xích

Hầu hết các dây xích trên thị trường đều được làm bằng thép không gỉ vì nguyên liệu thô của thép không gỉ tương đối cứng. Khả năng chịu lực tốt ...

Các nhà sản xuất xích công nghiệp giới thiệu cách phân biệt loại xích

Các nhà sản xuất xích công nghiệp giới thiệu cách phân biệt loại xích

Xích băng tải thích hợp cho nướng sơn, phủ kim loại, dây chuyền lắp ráp sản xuất trong các nhà máy như nhà máy nội thất, nhà máy sản xuất thiết ...

Nhà sản xuất dây chuyền im lặng giới thiệu các phương pháp đo lường hợp lý cho dây chuyền

Nhà sản xuất dây chuyền im lặng giới thiệu các phương pháp đo lường hợp lý cho dây chuyền

Có Chuỗi im lặng Nhà sản xuất giới thiệu các phương pháp đo xích hợp lý là gì? 1. Để loại bỏ toàn bộ phản ứng ngược của...

Nhà sản xuất xích xe máy giới thiệu phương pháp làm sạch xích thép không gỉ

Nhà sản xuất xích xe máy giới thiệu phương pháp làm sạch xích thép không gỉ

Xích xe máy Nhà sản xuất giới thiệu xích thép không gỉ là thiết bị truyền động đa năng. Theo sơ đồ thiết kế "khóa xích" vòng cung hyper...

Các nhà sản xuất xích con lăn giới thiệu nguyên lý thiết kế biên dạng răng của bánh xích

Các nhà sản xuất xích con lăn giới thiệu nguyên lý thiết kế biên dạng răng của bánh xích

Xích con lăn Nhà sản xuất giới thiệu nguyên lý thiết kế biên dạng răng bánh xích: 1. Hình dạng mặt cắt răng của bánh xích: đư...

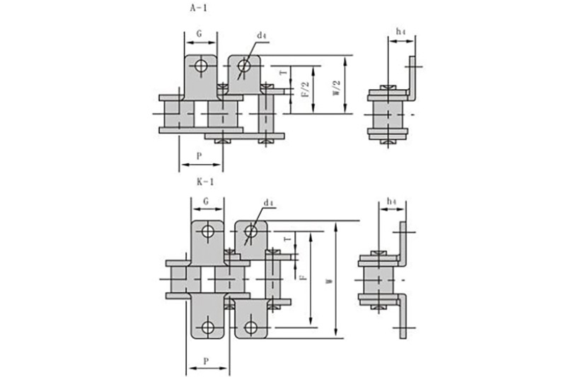
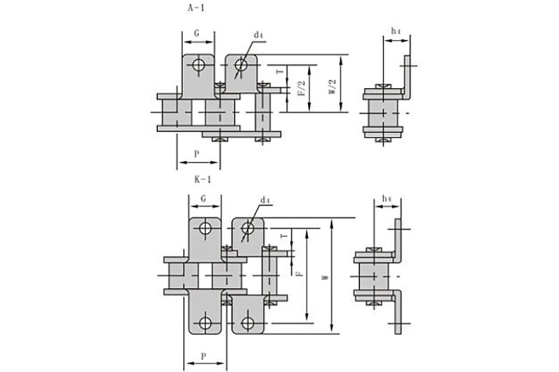
Các nhà sản xuất xích truyền động giới thiệu các kỹ năng thực hành của bánh xích

Các nhà sản xuất xích truyền động giới thiệu các kỹ năng thực hành của bánh xích

Chuỗi truyền động Nhà sản xuất giới thiệu các kỹ năng thực hành của bánh xích: 1. Độ kín của bánh xích phải phù hợp. Quá chặ...

Những lưu ý khi sử dụng dây chuyền nông nghiệp

Những lưu ý khi sử dụng dây chuyền nông nghiệp

Chuỗi nông nghiệp lỗi có thể ảnh hưởng đến tính chính xác của chuyển động dao và trong một số trường hợp, đây là yếu tố chính ảnh hưởn...

Làm thế nào để xóa chuỗi truyền đúng cách

Làm thế nào để xóa chuỗi truyền đúng cách

Bạn cũng có thể sử dụng nước xà phòng nóng hoặc nước rửa tay, hoặc sử dụng bàn chải đánh răng bỏ đi hoặc bàn chải cứng hơn một chút. Rửa sạch trực ...

Các nhà sản xuất xích băng tải giới thiệu cách bảo trì dây chuyền đúng cách hàng ngày

Các nhà sản xuất xích băng tải giới thiệu cách bảo trì dây chuyền đúng cách hàng ngày

Xích nâng bằng thép không gỉ có thể điều chỉnh độ dài của xích theo chiều cao nâng của vật nâng. Nó là một thiết bị nâng không thể thiếu và quan...

Các nhà sản xuất bánh xích công nghiệp giới thiệu các kỹ thuật xử lý cặn cacbon theo chuỗi

Các nhà sản xuất bánh xích công nghiệp giới thiệu các kỹ thuật xử lý cặn cacbon theo chuỗi

Khi xích inox được sử dụng trong các thiết bị cơ khí, chắc chắn sẽ bám vào một số bụi bẩn, phần lớn là cặn carbon và vết dầu. Tuy nhiên, trên dâ...

Các nhà sản xuất dây chuyền lá giới thiệu lý do tại sao dây chuyền sẽ bị đứt

Các nhà sản xuất dây chuyền lá giới thiệu lý do tại sao dây chuyền sẽ bị đứt

Chuỗi lá Các nhà sản xuất đưa ra nguyên nhân và giải pháp khiến dây chuyền bị đứt: 1. Trong quá trình sử dụng, do sử dụng lâu...

Các nhà sản xuất xích công nghiệp giới thiệu đặc điểm của xích chất lượng cao

Các nhà sản xuất xích công nghiệp giới thiệu đặc điểm của xích chất lượng cao

Dây chuyền công nghiệp Các nhà sản xuất giới thiệu những đặc điểm của dây chuyền chất lượng cao: 1. Độ tin cậy và bảo v...